Взрыворазрядители для норий
- Характеристики: Взрыворазрядители для норий
- Срок производства: Есть в наличии
-
от 18000 рублей
Цена зависит от модели
Завод "ЗЕРТЕХ" производит взрыворазрядители для норий
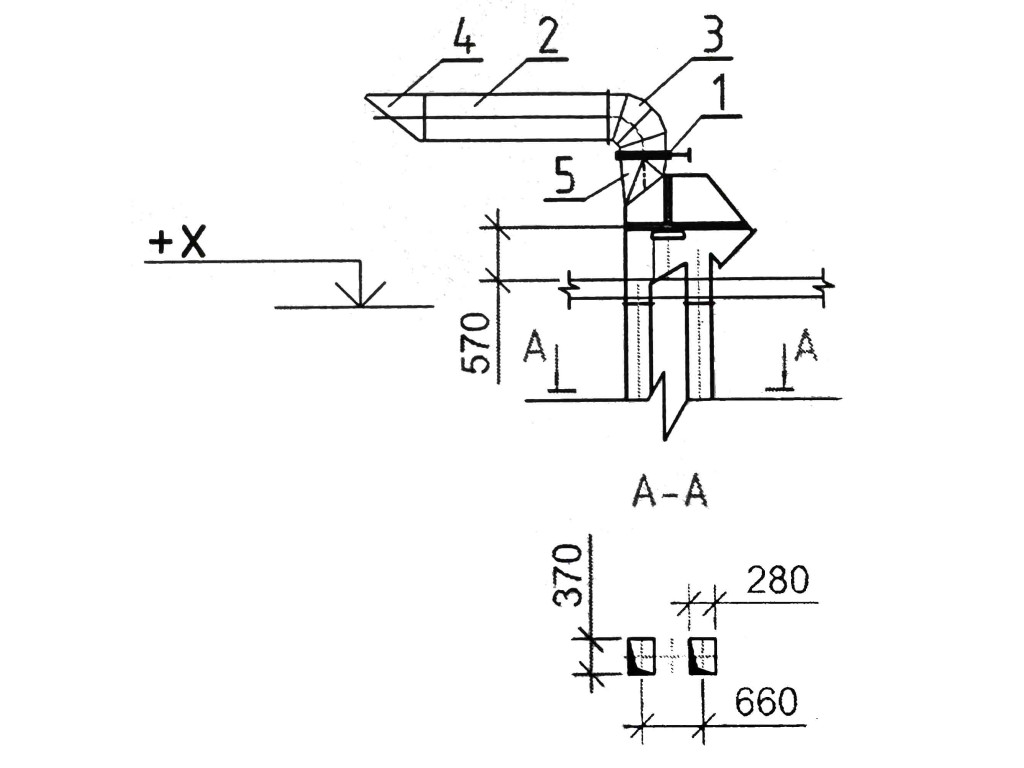
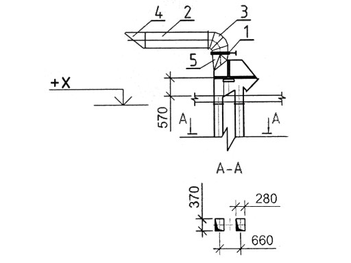
Статическое электричество может представлять серьезную угрозу в промышленных процессах, особенно в области переработки сыпучих материалов, таких как зерно, цемент, песок и другие сыпучие грузы, которые транспортируются с помощью норийных конвейеров. Взрыворазрядители играют важную роль в обеспечении безопасности и предотвращении возникновения взрывоопасных ситуаций. Завод ЗЕРТЕХ производит качественные взрыворазрядители для норий по доступной цене.
Что такое взрыворазрядители?
Взрыворазрядители, также известные как разрядники
ионов, - это электростатические устройства, разработанные для нейтрализации
статического электричества. Они работают на принципе генерации ионов, которые
нейтрализуют заряды на поверхностях материалов, предотвращая накопление
статического заряда.
Зачем нужны взрыворазрядители для норийных конвейеров?
Норийные конвейеры представляют собой системы,
используемые для перевозки сыпучих материалов. В процессе перемещения материала
по конвейеру может возникать трение, которое приводит к накоплению статического
заряда на поверхности материала и конвейера. Это статическое электричество
может создавать опасные условия, такие как искрообразование, которое может
вызвать взрывоопасные ситуации.
Как работают взрыворазрядители для норийных
конвейеров?
Взрыворазрядители для норийных конвейеров обычно
устанавливаются вблизи зон, где возникает трение и накопление статического
заряда. Они генерируют ионы, которые направляются к заряженным поверхностям
материала и конвейера. Эти ионы нейтрализуют заряды, снижая возможность
возникновения искрообразования и взрывоопасных ситуаций.
Важность использования взрыворазрядителей для норийных
конвейеров
Использование взрыворазрядителей для
норийных конвейеров является важной мерой безопасности. Они помогают
предотвратить возникновение искрообразования, что снижает риск взрывов и
пожаров. Кроме того, взрыворазрядители способствуют эффективной работе
производственных процессов, предотвращая электростатическое влияние на
материалы и оборудование.

взрыворазрядители +для норий, взрыворазрядитель нории купить



