Приводной барабан конвейерной ленты
- Характеристики: Приводной барабан конвейерной ленты
- Срок производства: Есть в наличии
-
от 10000 рублей
Цена зависит от модели
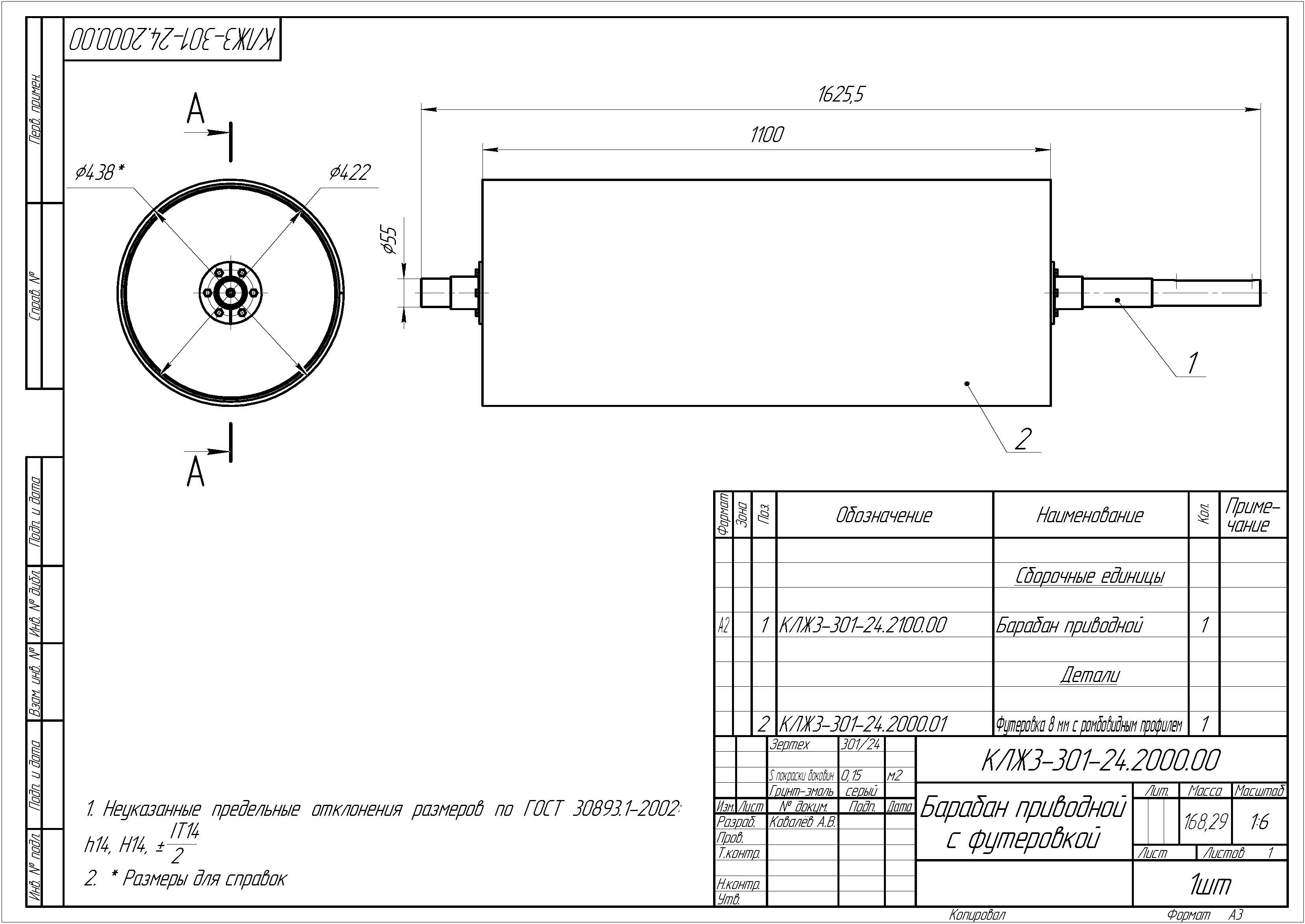
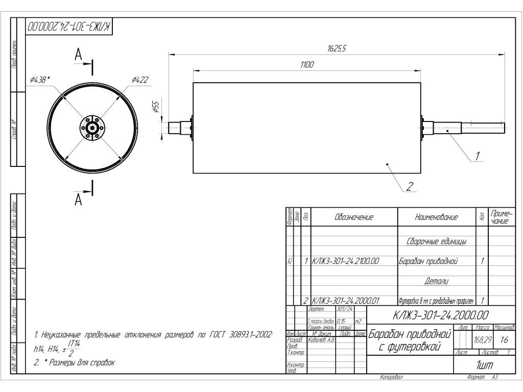
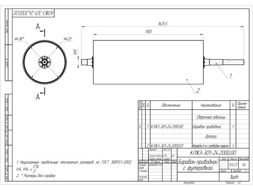
Завод "ЗЕРТЕХ" производит приводной барабан конвейерной ленты
Приводной
барабан – это вращающийся цилиндр, который приводится в движение
электродвигателем. Именно он создает трение, необходимое для того, чтобы лента
начала двигаться и, что самое главное, оставалась натянутой. Без него лента
просто проскальзывала бы, и никакой транспортировки не происходило бы.
Функции приводного барабана:
- Создание
тяги: Главная задача – передать энергию от двигателя к ленте, заставляя ее
вращаться.
- Поддержание
натяжения: Барабан помогает поддерживать необходимое натяжение ленты, что
критически важно для стабильной работы конвейера.
- Изменение
направления: В некоторых конфигурациях конвейера приводной барабан может
использоваться для изменения направления движения ленты.
Принцип
работы приводного барабана основан на силе трения между поверхностью барабана и
лентой. Когда двигатель вращает барабан, он "цепляется" за ленту, и
благодаря достаточному коэффициенту трения, лента начинает двигаться вместе с
ним.
Виды поверхностей:
- Гладкая стальная поверхность: Для большинства стандартных применений.
- Резиновое
покрытие (футеровка): Это самый распространенный и эффективный способ увеличить
трение. Резина обеспечивает отличное сцепление даже во влажных или пыльных
условиях, а также защищает ленту от износа. Футеровка может быть гладкой или
иметь специальный профиль (например, "елочка" или "ромб")
для еще лучшего сцепления.
- Керамическое
покрытие: Используется в особо агрессивных средах, где требуется максимальная
износостойкость и устойчивость к высоким температурам.
Конструкция приводных барабанов:
Материал:
Чаще всего изготавливается из стали, но могут использоваться и другие сплавы в
зависимости от условий эксплуатации.
Подшипники:
Барабан вращается на прочных подшипниках, которые обеспечивают плавное движение
и снижают трение.
Вал:
Прочный вал соединяет барабан с редуктором и двигателем.
Типы приводных барабанов:
Цилиндрические:
Самый распространенный тип, используемый в большинстве ленточных конвейеров.
Конические: Иногда используются для выравнивания ленты или в специальных конвейерных системах.



